waschmaschin.de

WAK 4740 Bauknecht Waschmaschine

Ersatzteile und Zubehör Shop

 

   

Ersatzteile für WAK 4740 Bauknecht Waschmaschine hier im Shop online bestellen.
 

Ersatzteilliste

Model WAS 4740/2

Service No. 855454903000

Version 855454903000


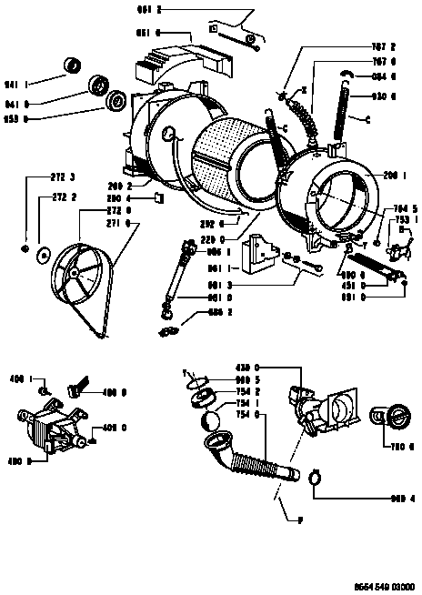
Pos. Nr.    12NC Code                  Beschreibung


001 0        4812 440 10784           Gehaeuse GW

002 0        4812 440 10812           Klappe Filter eckig GW

011 0        4819 462 48472           Fuss

021 0        4812 440 10927           Front eckige Klappe GW

024 0        4819 440 19892           Rueckwand

024 1        4819 418 79837           Karton Schlauch

025 0        4812 440 10467           Halter f. Steuerung VBL BK

030 0        4812 440 10926           Arbeitsplatte BK mit Isol. GW

040 0         4812 417 18787          Scharnier

050 0         4812 440 10823          Sockelblende GW

061 0         4812 466 88458          Gegengewicht oben

061 1         4812 466 88607          Gegengewicht vorne

061 2         4819 310 39227          Montagesatz Gewicht oben

061 3         4819 310 39228          Montagesatz Gewicht unten

065 2         4812 310 18401          Isolation

081 0         4812 466 48088          Stossdaempfer 1400

084 0         4812 466 58001          Silentblock

086 1         4812 401 18413          Halter Stossdaempfer

086 2         4812 401 18412          Stopfen Stossdaempfer

110 0         4812 498 18261          Handgriff Tuer GW

130 0 4812 417 28047 Platte Tuerschloss

130 1 4812 417 28048 Platte Tuerschloß unten

131 0 4812 417 28046 Verschluss Tuer

131 1 4812 417 28045 Stift Tuerverschluß

131 2 4812 492 58022 Feder Tuerverschluß

135 1 4812 498 18262 Knopf Tuersicherung GW

135 2 4812 492 58023 Feder Tuersicherung

135 3 4812 290 68153 Justier-Element Tuersicherung

140 0 4812 450 68218 Schauglas

143 0 4812 440 10815 Fensterrahmen VBL BK GW

144 0 4812 440 10833 Rahmen,Schaugl. GW

191 0 4812 466 68729 Manschette BK 48 l

191 1 4812 492 18017 Schelle

191 2 4819 530 58059 Ring

200 1 4812 418 18465 Bottichhaelfte vorn 42l, 1400

200 2 4812 418 18368 Bottichhaelfte hinten 48l, 1400

200 4 4812 290 88054 Klemme für Behaelter

220 0 4812 418 18466 Trommel 42l, 1400

271 0 4812 358 18056 Keilrippenriem. WH 1250 J5

272 0 4812 528 58027 Riemenscheibe DIAM.298

272 2 4812 532 18024 U-Scheibe

272 3 4812 505 18371 Mutter M 12

292 0 4812 530 58101 Dichtung Behaelter

301 0 4812 452 13575 Schalterleiste WAS 4740/2

303 0 4812 498 18278 Griff,Schublade VBL BK GW

331 0 4812 414 58203 Knopf VBL BK GW

332 0 4812 410 29111 Taste Optionen VBL BK GW

333 0 4812 410 29109 Taste Start VBL BK GW

339 0 4812 233 18006 Adapter f. Knopf

351 0 4812 134 18011 Lampe

352 0 4812 239 58007 Anzeigeneinheit Programmablauf

400 0 4812 361 58377 Motor MCA61WHE1

400 1 4812 502 18401 Schraube Motor/Gewicht M8X 35

409 0 4812 362 48004 Kohlebuerste Motor CESET

421 0 4812 121 18142 Entstoerfilter 1,00 m F

430 0 4812 310 28144 Laugenpumpe KIT

451 0 4812 259 28758 Heizelement 2050W + NTC

480 0 4812 321 78109 Kabel Motor SC1/OMEGA PP/ALPHA

490 0 4819 321 18136 Netzkabel 2m SA

491 0 4812 321 28367 Zugentlastung

491 1 4812 502 38152 Schraube 4,8x19

500 0 4812 282 19555 Timer SC1 (IR,RH,EI,SR)

571 0 4812 271 28375 Magnetventil einfach

581 0 4812 271 28441 Niveauschalter

620 0 4819 410 28998 Schalter Optionen

621 0 4819 410 29004 Schalter AN/AUS

622 0 4812 413 48279 Wahlschalter f.Temp./Drehz.

630 0 4812 280 58019 Tuerverriegel.

651 0 4812 134 48272 Lichttraeger Ein/Aus VBL BK

651 1 4812 134 48273 Lichttraeger Programm VBL BK

691 0 4812 282 18702 Sensor NTC (SC1,OMEGA PL,ACC.)

701 0 4819 530 28928 Zulaufschlauch 2m (Warmwasser)

701 1 4819 466 69704 Dichtung und Filter

702 0 4819 530 29019 Schlauch intern

707 0 4812 526 48031 Duese schwenk

707 1 4812 526 48028 Duese Einspuelung

708 1 4812 530 48143 Kruemmer Zulauf

711 0 4812 418 88025 Einspuelbeh. BK,WH-3CH

712 0 4812 418 68198 Schublade 3 K. VBL

713 0 4812 418 89009 Klappe Waschmittelkasten GW

717 0 4819 321 28092 Bowdenzug

717 1 4812 321 38013 Hebel , Duese

717 2 4812 321 38012 Justier-Element

717 3 4812 278 88018 Gleitstueck

717 4 4812 492 38359 Feder , Duese

717 5 4812 233 18004 Nocken 3 K. inkl. Adapter

718 0 4812 526 48051 Saugheber

718 1 4812 418 88018 Trennteil 3 K.

753 1 4819 418 68234 Luftkammer

754 0 4812 530 28826 Ablaufbalg

754 1 4812 530 28832 Verschluss eco

754 2 4812 530 28829 Flansch eco

760 0 4812 480 58105 Filter Set Pumpe

781 0 4819 530 28847 Ablaufschlauch

782 0 4812 530 28827 Schlauch Niveauschalter

787 0 4812 530 28813 Schlauch,Entl.

787 2 4819 401 18868 Schlauchschelle 26,8 mm

794 5 4812 530 58095 Dichtung Luftkammer

900 0 4812 255 18204 Halter Ablaufschlauch

900 1 4812 290 88086 Halterung Tuerverriegelung

900 2 4812 290 88077 Kabelfuehrung

900 3 4812 401 18446 Kabelfuehrung

900 4 4819 401 18872 Schlauchschelle Pumpe/Ablauf

900 5 4819 401 18529 Schlauchschelle Bottich unten

900 6 4812 401 18444 Traeger Heizelement

900 7 4812 256 98031 Halter Niveauschalter

900 8 4819 401 18823 Klemme

901 3 4812 401 18549 Schlauchschelle

910 5 4812 502 18516 Schraube 4,2 x 13

930 0 4819 492 38139 Feder Aufhaengung

941 0 4812 520 28003 Kugellager Agg. 2 6306

941 1 4812 520 28005 Kugellager Agg. 2 6304

953 0 4812 530 58142 Wellendichtring 1400

961 0 4819 532 68829 Distanzstueck

965 0 4812 466 68545 Abdeckung BK/WH

993 0 4819 530 29028 Einhaengebogen

993 3 4812 395 58004 Werkzeug

 

Pos.Nummer finden per Explosionszeichnung
 

 
 

Geben Sie hier in das Suchfeld den 12 NC Code aus der Ersatzteilliste ein und dann auf "Suche starten". Das Ersatzteil wird Ihnen im Shop angezeigt.
 

 
  Nur ein Suchwort!
  Optional Hersteller
        
 
Mit PayPal im Shop sicher und schnell bezahlen

Logo 'PayPal empfohlen'
Willkommen auf der sichererereren Seite des Internets! Ihre Bankdaten sind sicher aufgehoben und mit dem Käuferschutz gibt's bei Ärger Geld zurück. Und das Wichtigste: Sie bezahlen mit nur wenigen Klicks - zack, zack! Sicherererer.


AMICA Ersatzteile, Ariston Ersatzteile, Arthur Martin Ersatzteile, Beamer Ersatzteile, Balay Ersatzteile, Bauknecht Ersatzteile, BBC Ersatzteile, Beko Ersatzteile, Blomberg Ersatzteile, Bomann Ersatzteile, Bosch Ersatzteile, Brandt Ersatzteile, Braun Ersatzteile, Candy Ersatzteile, Constructa Ersatzteile, Daewoo Ersatzteile, EBD Ersatzteile, EGO Ersatzteile, Electrolux Ersatzteile, Elektrogeräte Ersatzteile, Fernbedienungen, Fernsehgeräte Ersatzteile, Foron Ersatzteile, Gaggenau Ersatzteile, Gorenje Ersatzteile, Grundig Ersatzteile, Haushaltsgeräte Ersatzteile, Hitachi Ersatzteile, Hanseatic Ersatzteile, Hoover Ersatzteile, Ignis Ersatzteile, Indesit Ersatzteile, Juno Ersatzteile, Kenwood Ersatzteile, Krups Ersatzteile, LG Electronics Ersatzteile, Lavamat Ersatzteile, Liebherr Ersatzteile, Merloni Ersatzteile, Miele Ersatzteile, Moulinex Ersatzteile, Neff Ersatzteile, Panasonic Ersatzteile, Philips Ersatzteile, Privileg Ersatzteile, Progress Ersatzteile, Rasierer Ersatzteile, Rowenta Ersatzteile, Samsung Ersatzteile, Satreceiver Ersatzteile, Scholtes Ersatzteile, Seppelfricke Ersatzteile, Sharp Ersatzteile, Siemens Ersatzteile, Siwamat Ersatzteile, Siltal Ersatzteile, Staubsauger Ersatzteile, Tefal Ersatzteile, Thomson Ersatzteile, Toshiba Ersatzteile, Trockner Ersatzteile, Viking Ersatzteile, Waschmaschinenersatzteile, Waschmaschine Ersatzteil, Waschmaschinen Ersatzteil, Ersatzteil Waschmaschine, Whirlpool Ersatzteile, Zanker Ersatzteile, Zanussi Ersatzteile
 
copyright: www.waschmaschin.de